Rangkaian kontrol star delta merupakan rangkaian yang digunakan untuk melakukan starting atau nyala awal sebuah motor 3 phase, starting motor dilakukan dengan rangkaian star yang kemudian dilanjutkan dengan rangkaian delta yang dilakukan baik secara otomatis (auto) maupun secara manual. Hal ini tergantung dari rancangan rangkaian yang dibuat oleh instalatir.
Setelah kita membahas tentang pengertian rangkaian star delta dan dasar-dasar rangkaian star delta pada artikel sebelumnya, saatnya sekarang kita akan membahas tentang rangkaian kontrol star delta atau rangkaian kendali star delta pada motor 3 phase (fasa). Output dari bahasan kita ini adalah anda bisa membuat rancangan rangkaian panel listrik pengendali star delta.
Daftar Isi
Tujuan Rangkaian Kontrol Star Delta Otomatis Motor Induksi 3 Phase
Tujuan dari rangkaian motor star-delta (bintang-segitiga) otomatis yaitu untuk mengurangi arus starting (arus awal) pada motor listrik induksi tiga fasa saat pertama kali dinyalakan yang bekerja secara otomatis. Seperti yang diketahui arus starting motor listrik induksi 3 fasa sangat besar, bisa mencapai 5–7 kali dari arus nominal. Arus yang besar ini dapat merusak motor, instalasi listrik, bisa menyebabkan drop tegangan signifikan bahkan jika diperkecil bisa menghemat penggunaan listrik.
Adapun Penjelasan dari Tujuan Rangkaian Star-Delta Otomatis adalah sebagai berikut:
- Untuk Mengurangi Arus Start:
Pada saat motor dinyalakan dalam keadaan rangkaian star (bintang), tegangan pada tiap lilitan motor menjadi lebih kecil (220 V) (sekitar 58% dari tegangan penuh (380 V)), sehingga arus start juga lebih kecil. - Setelah Beberapa Saat Motor Mencapai Kecepatan Tertentu:
Rangkaian star akan berpindah ke rangkaian delta (segitiga) secara otomatis agar motor dapat menerima tegangan penuh (380V) sehingga menghasilkan torsi penuh untuk operasi normal. - Melindungi Komponen Instalasi:
Dengan berkurangnya arus start, maka arus listrik yang mengalir pada kontaktor, kabel, dan panel distribusi listrik menjadi lebih kecil. - Efisiensi Energi & Umur Motor:
Dengan menghindari lonjakan arus berlebih saat start membantu memperpanjang umur motor dan meningkatkan efisiensi sistem.
Cara Membuat Rangkaian Star Delta Otomatis
Adapun cara untuk membuat rangkaian kontrol star delta diperlukan beberapa persiapan. Persiapan yang dibutuhkan untuk membuat rangkaian tersebut di antaranya adalah sebagai berikut:
Mengetahui Cara Kerja Rangkaian Kontrol Star Delta Otomatis Motor 3 Phase
Untuk membuat rangkaian star delta motor 3 phase, kita terlebih dahulu harus mengetahui cara kerja dari rangkaian tersebut. Bagaimanakah cara kerja rangkaiannya? Berikut cara kerja atau prinsip kerja dari rangkaian star delta otomatis.
Prinsip Kerja Rangkaian Star Delta Otomatis
Untuk prinsip kerja rangkaian star delta otomatis dapat anda baca pada langkah berikut di bawah ini:
- Tekan push button start
- Maka rangkaian kontrol akan dialiri listrik dan motor akan berputar pelan pada rangkaian daya star.
- Setelah bekerja beberapa detik secara otomatis maka
- Rangkaian Kontrol motor akan merubah rangkaian daya motor tersebut menjadi rangkaian delta, sehingga motor berputar dengan lebih cepat tanpa berubah arah putaran pada rangkaian delta.
- Untuk mematikan motor beroperasi dengan menekan push button stop
Berikut gambar cara kerja rangkaian star delta menggunakan timer.

Gambar animasi cara menjalankan rangkaian star delta
Begitulah gambaran dari sistem kerja rangkaian star delta otomatis.
Merancang Rangkaian Kontrol dan Daya Star Delta Motor 3 Phase Otomatis Menggunakan Kontaktor
Setelah kita mengetahui cara kerja dari rangkaian star delta otomatis, tahapan selanjutnya adalah kita akan merancang rangkaian kontrol dan daya star delta otomatis. Dari langkah kerja yang dikatakan di atas, maka komponen-komponen listrik untuk rangkaian star delta yang dibutuhkan adalah:
- Push button
- Kontaktor
- Timer (ON Delay)
- Lampu Indikator
- Pengaman Motor dan Rangkaian
Untuk lebih jelasnya anda bisa melihat pada skema gambar atau contoh rangkaian kontaktor kontrol dan daya (tenaga) star delta otomatis dengan menggunakan timer yang biasa dipakai untuk listrik berikut ini:

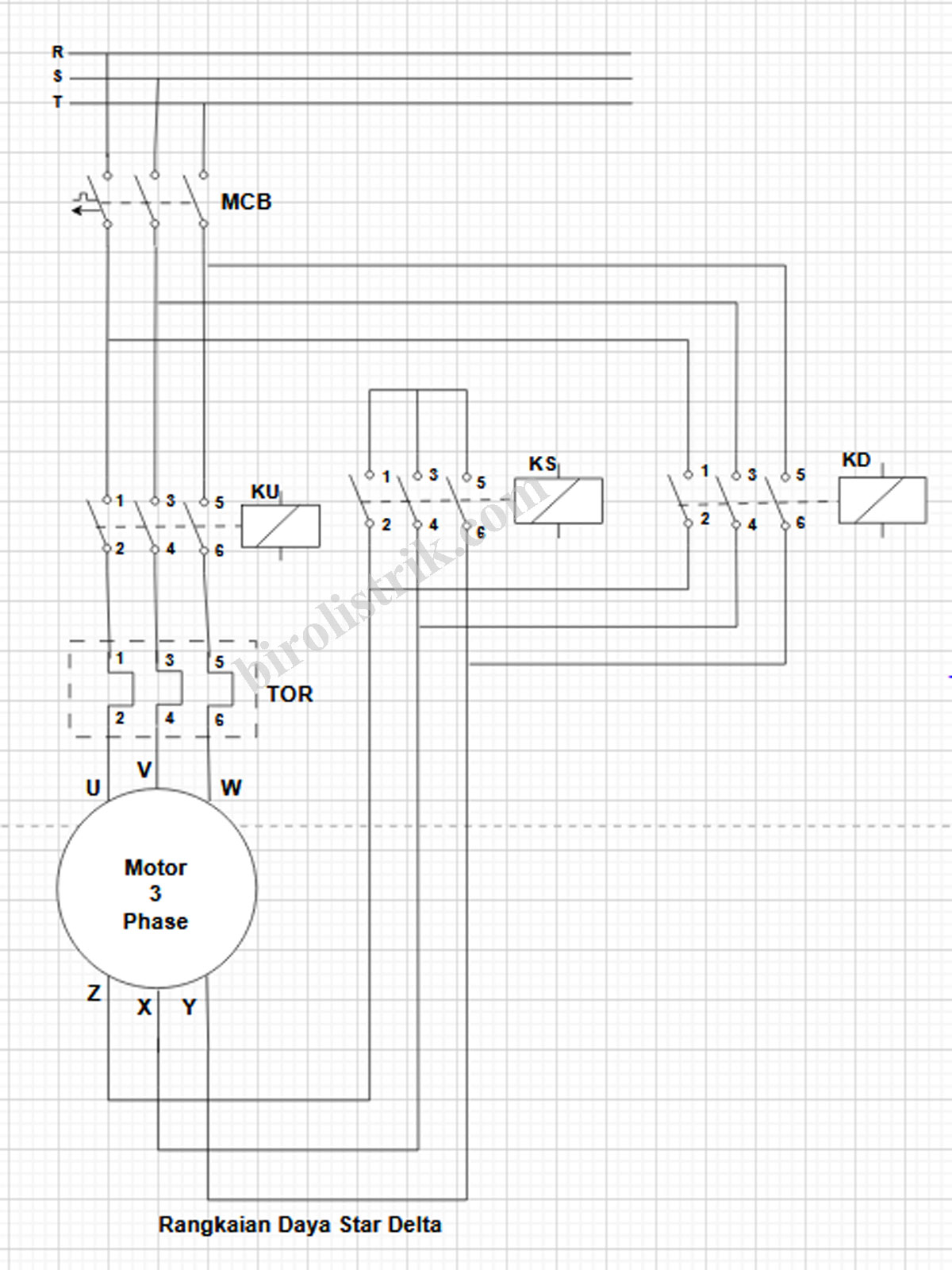
Gambar One Line Diagram Rangkaian Utama Kontrol dan Daya Motor 3 fasa Star Delta dengan Timer secara Otomatis

Gambar Ketika Hubungan Star Bekerja (Ditandai dengan Rangkaian aktif garis berwarna jingga)

Gambar Ketika Hubungan Delta Bekerja

Gambar One Line Diagram Rangkaian Kontrol Star Delta Otomatis

Dari gambar rancangan di atas maka dibutuhkan komponen untuk rangkaian star delta menggunakan 3 kontaktor ditambah dengan komponen proteksi seperti tor dan MCB maka rangkaiannya adalah sebagai berikut:
- 3 buah kontaktor
- 1 buah Kontaktor Utama (KU) 3 Phase dengan satu kontak bantu NO
- 1 buah Kontaktor Star (KS) 3 Phase dengan satu kontak bantu NC
- 1 buah Kontaktor Delta (KD) 3 Phase dengan 1 kontak bantu NO dan 2 kontak bantu NC
- 1 buah push button NC
- 1 buah push button NO
- 1 buah Timer On Delay dengan 1 kontak bantu NO dan 1 kontak bantu NC
- 2 buah Lampu indikator (220 V)
- 1 buah MCB 1 Phase
- 1 buah MCB 3 Phase
- 1 buah TOR (Thermal Overload Relay)
- Kabel Secukupnya
Cara kerja rangkaian sebagai berikut:
1.Beri suplai tegangan dari jala-jala listrik (R,S,T, N) terhubung ke rangkaian (konekan rangkaian star delta ke tegangan listrik).
2. Saklar push button S1 ditekan maka kontaktor KU (kontaktor utama) akan mendapat aliran listrik, yang membuat kunci kontaktor yang semula NO (13,14) menjadi NC sehingga kontaktor KU menjadi terkunci (self holding) (lihat rangkaian kontrol). Kontak utama dari kontaktor KU (1,3,5) akan menghubungkan aliran listrik (R,S,T) ke lilitan motor (U,V,W) (lihat rangkaian daya).
2. Selain kontaktor KU mendapat suplai tegangan, kontaktor KS, lampu indikator LS dan timer on delay T1 juga mendapat suplai tegangan. Semua komponen listrik yang mendapat suplai arus listrik menjadi aktif bekerja.
3. Kontaktor KS akan menghubungkan lilitan motor ke rangkaian star, hal ini terjadi ketika kontak utama kontaktor KS (1,3,5) menjadi NC ketika kontaktor KS mendapat suplai arus listrik lihat rangkaian daya. Selain itu kontaktor KS juga membuka auxilarry kontaknya (21,22) yang semula NC menjadi NO. Ini bertujuan agar terjadi interlock sehingga rangkaian delta tidak bisa aktif karena kontaktor KS memutus suplai arus ke kontaktor KD.
4. Setelah beberapa saat tergantung setting dari timer, dalam hal ini dimisalkan settingannya 5 detik. Setelah 5 detik timer on delay mengaktifkan kontaknya. Kontak yang semula NC menjadi NO dan NO menjadi NC.
5. Berubahnya posisi kontak yang semula NC (1,4) pada timer menjadi NO menyebabkan kontaktor KS tidak mendapat suplai arus listrik sehingga rangkaian star tidak bekerja karena kontak utama (1,3,5) menjadi NO (Normally Open / terbuka) dan kontak bantu KS (21,22) menjadi tertutup . Pada saat yang sama kontak timer T1 yang lainnya T1 (6,8) menjadi tertutup, hal ini menyebabkan kontaktor KD mendapat arus listrik sehingga kontaktor KD melakukan penguncian (self holding) pada kontak bantunya KD (13,14) menjadi tertutup (NC). Aktifnya kontaktor KD setelah mendapat suplai arus listrik ini akan mengaktifkan kontak utama kontaktor KD (1,3,5) sehingga rangkaian yang semula star berubah menjadi rangkaian delta. Selain itu auxillary kontak KD pada timer dan kontaktor KS menjadi terbuka (NO) (lihat terminal 21 dan 22 untuk KD) (terminal 31 dan 32 untuk timer on delay T1)
6. Motor akan terus bekerja dalam posisi rangkaian delta sampai push button S0 ditekan untuk mematikan rangkaian. Selama rangkaian bekerja penekanan pada push button S1 tidak memberikan pengaruh ke rangkaian kontrol.
7. Terdapat pengaman TOR yang berguna untuk mengamankan rangkaian dari terjadinya overload pada motor. Jika terjadi overload maka TOR (95,96) akan memutus suplai arus pada rangkaian.
8. MCB juga digunakan agar jika terjadi arus hubung singkat dan pembatas arus pada rangkaian kontrol dan daya.
9. Ada beberapa hal yang mesti diperhatikan dalam merancang rangkaian star delta yaitu:
- Pastikan ukuran kabel sesuai dengan beban dan komponen listrik yang terpasang.
- Pastikan kontaktor yang digunakan sesuai dengan beban listrik (motor) yang terpasang
- Cari timer on delay dengan waktu yang sesuai dengan waktua rangkaian star bekerja
- Pastikan ukuran MCB sesuai dengan beban listrik yang terpasang, berikut besar persentase MCB (Pemutus sirkit) dari PUIL. Perhatikan cara menghitung besar MCB pada artikel MCB 8 Ampere Berapa Watt: Berdasarkan SNI

- Pastikan ukuran TOLR (Thermal Overload Relay) sesuai dengan beban yang terpasang. lihat artikel sebelumnya bagaimana cara menentukan ukuran TOR (TOLR)
Untuk menguji cara kerja dari rangkaian kami melampirkan video simulasi rangkaian di bawah ini:
Kesimpulan Rangkaian Star Delta
Dari serangkaian penjelasan di atas, kita bisa menarik sebuah kesimpulan tentang rangkaian star delta. Rangkaian Star-Delta adalah metode starting motor tiga fasa yang bertujuan untuk mengurangi arus awal saat motor dinyalakan. Dengan memulai dalam konfigurasi star, arus dan torsi awal menjadi lebih rendah, sehingga menghindari lonjakan arus yang dapat merusak sistem kelistrikan. Setelah beberapa detik, motor secara otomatis beralih ke konfigurasi delta agar dapat beroperasi dengan daya penuh.
Metode ini efektif, sederhana, dan ekonomis, terutama untuk motor dengan beban ringan hingga sedang. Namun, kurangnya torsi awal dan kemungkinan lonjakan saat transisi menjadi kelemahan utama yang harus diperhatikan. Rangkaian ini tidak cocok untuk beban berat atau aplikasi yang memerlukan torsi awal besar.